咨询热线:400 6977 555
首页
租赁
信息
出租信息
求租信息
二手
吊车
出售信息
求购信息
行业
人才
招聘司机
司机求职
平台
服务
法律援助
性能参数
行业
资讯
新闻资讯
行业论坛
关于
我们
平台简介
联系我们
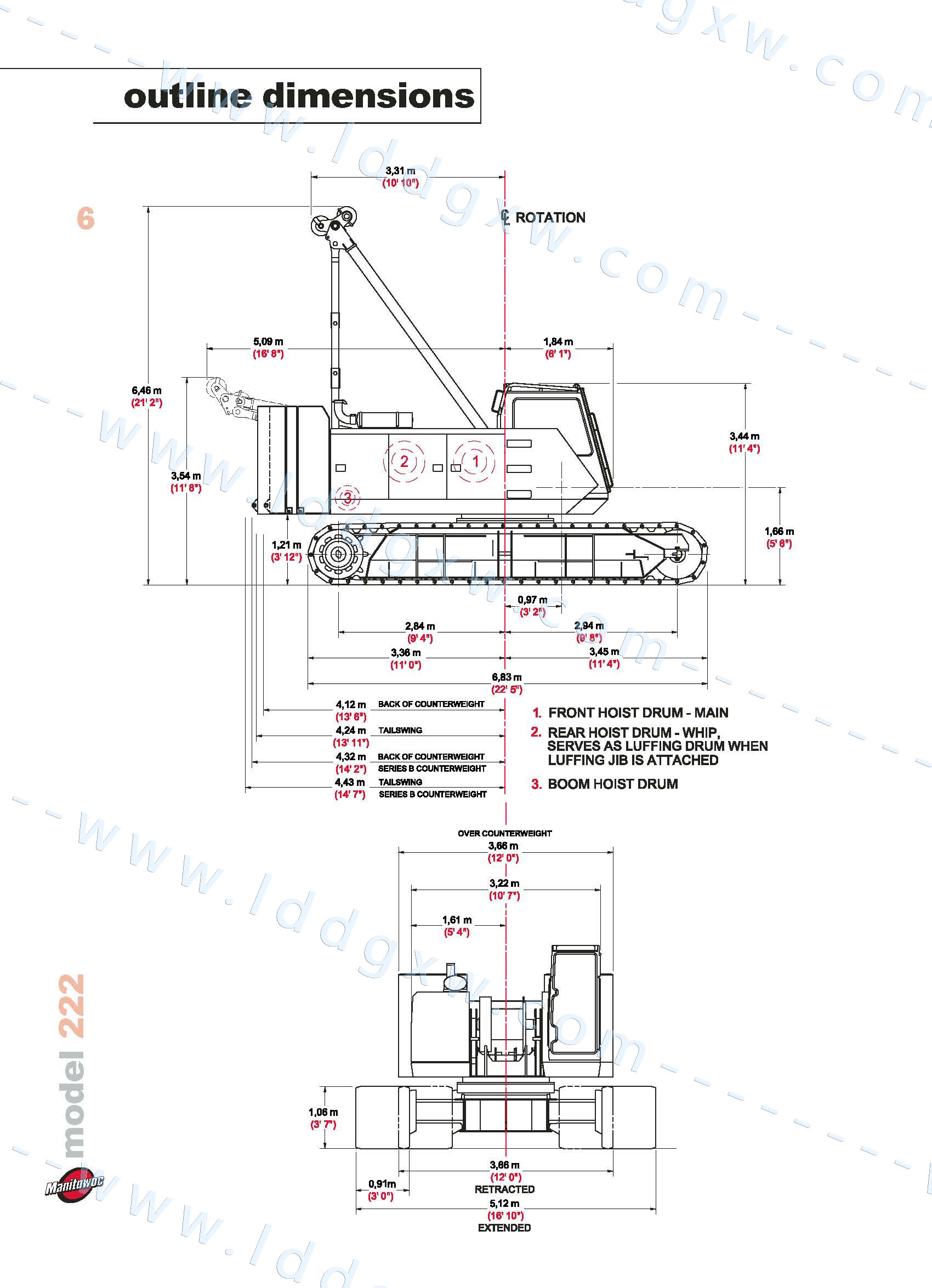
[参数]马尼托瓦克-222-91吨
履带吊资源共享网
性能参数
全部参数
外形尺寸
运输数据
装配说明
性能参数
联系客服
返回顶部